It is a category of industrial machinery utilized in the construction and manufacturing sectors for the production of Z purlins. Full automatically change size from 120mm to 300mm by PLC control in 1 minute.
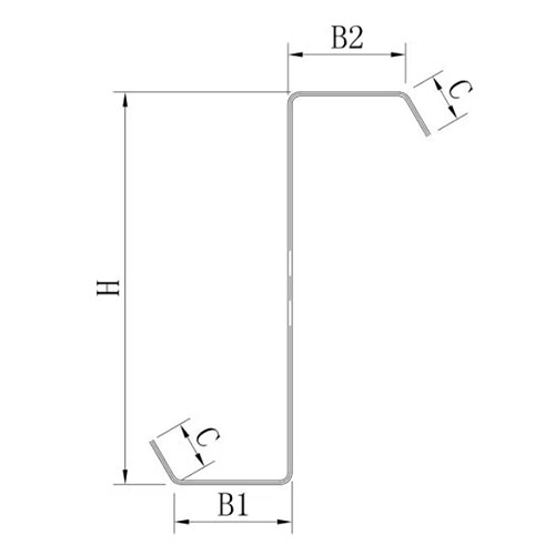
Standard Profile Dimensions:
Machines are fitted with a variable profile size (within the specified range) and thickness range.

| Z Purlin | ||||
| Model | Section Size | |||
| H | B1 | B2 | C | |
| Z120 | 120 | 55 | 50 | 16 |
| Z140 | 140 | 55 | 50 | 16 |
| Z160 | 160 | 67 | 61 | 16 |
| Z180 | 180 | 67 | 61 | 18 |
| Z200 | 200 | 67 | 61 | 18 |
| Z220 | 220 | 78 | 72 | 18 |
| Z250 | 250 | 78 | 72 | 20 |
| Z280 | 280 | 78 | 72 | 20 |
| Z300 | 300 | 78 | 72 | 20 |
Specifications:
| Item | Auto Adjustable Purlin Making Roll Forming Machine |
| Dimensions | 8500 * 1600 * 1500mm |
| Weight | 7500KG |
| Motor power | 30KW |
| Oil pump power | 5.5KW |
| Voltage | 380V/3-phase/60Hz |
| Forming step | 19 |
| Forming speed | 8-25m/min |
| Forming thickness | 1.2-3.0mm (GI) |
| Effective width | 120-300mm |
| Effective height | 45-100mm |
| edge width | 10-20mm |
1. Automatic roll forming and cutting utilizing an Inverter and PLC
2. Programmable length settings that are automatic and accessible through the touch panel.
3. One-Year Warranty Period.
4. Design customization available.
5. Reliable operation supported by robust power and a sturdy body frame.

What is a Z shape purlin forming machine?
The Z shape purlin roll forming machine is capable of producing various profiles of Z shape purlins by modifying the rollers.
This machine is fully automatic and user-friendly, featuring an intuitive HMI panel. It includes a decoiler, sheet guiding equipment, a roll forming section, a PLC control system, hydraulic cutting, and a collection table.
The primary advantages include beautifully customized designs, straightforward and stable operation, and a robust body frame.
What is a Z purlin?
Z purlins, also known as zed purlins, are purlins characterized by a Z-shaped cross-section, serving as horizontal beams intended to form the roof and wall joists of a building's shell structure. They are positioned between the roofing sheets and the building, providing support to ensure that the sheets are securely attached and safely positioned.
What is the purpose of Z purlins?
The notable strength of Z purlins lies in their capacity to overlap, creating a stable connection that can withstand greater loads compared to C-shaped purlins. Consequently, they are frequently utilized in the design of roofs, trusses, factories, civil houses, and more.